2020-3、ノートのバッテリー Panasonic caos 80B24L が寿命になり新品に交換しました。
6年近く、50,000kmちょっと働いてくれたので天寿を全う出来たと思います。
新しいバッテリーはまたまたPanasonic caos N-80B24L/C7 。\9,969でした。
と同時にステージアのバッテリーが最近元気がありません。
ちなみにこちらもPanasonic caos 125D26R です。
ドラレコのフリーズにより1か月程暗電流が増加していた事が判り原因は判明したのですが、
これによりバッテリーは劣化してしまった様です…。
こちらはまだ3年しか経っていないので復活させてみようかと思います。
ついでで上記ノートのバッテリーやその他廃棄予定バッテリーも。
バッテリーの劣化の原因はサルフェーションです。
鉛の電極に硫酸が結晶化して貼りついてしまい、それが絶縁体となり電池容量が減ってしまいます。
そしてその硫酸の結晶を除去する為にはバッテリーに電気パルスを与えると良いそうです。
自作されている方々もいらっしゃいます。
元になっている情報は、Alastair Couper さんが発表した資料による物が殆どです。
この資料によると、昇圧デコデコで高圧パルスを作り、
そのパルスがONした時に出てくる2〜6MHzのリンギングが硫酸イオンの共振周波数で、
硫酸イオンを剥がしてくれるそうです。
サルフェーションを除去してくれる装置(デサルフェータ)を購入してみる事にしました。
私はaliexpressで購入しましたが、日本ではこちらから購入出来ます。
そしてその効果を確認する為に、CCAテスターが必要になります。
CCAとは簡単に言うと負荷をかけた時(スターターモーターを回した時)にどれ位電圧が下がるかの値。
CCAの他、内部インピーダンスも測定してくれる様です。もちろん電圧も。
それから当然充電器も必要です。これは持ってます。BAL 2707 です。メーカーページはこちら。
元々BAL 1735 を\6,322で購入していたのですが、リコールとの事でこちらに交換してくれました。
2020-4、デサルフェータとCCAテスターが中国から届きました。
上記ステージアで昔使っていたバッテリー Panasonic caos 115D26R を使って測定してみます。
充電後CCAテスターで測定した結果、電圧は12.80V、内部抵抗は6.09mohm、CCAは466でした。
バッテリーのプラス端子に直列に0.2ohmの抵抗を入れてデサルフェータの電流波形を測定してみました。
安定電位のバッテリープラス側がGNDです。

956Hz周期でバッテリーを充電(上方向に流れる電流)しています。

63.39kHz周期でバッテリーを放電=デサルフェータを充電(下方向に流れる電流)しています。

バッテリー充電側(上方向)はmax1.88A、バッテリー放電側(下方向)はmax1.64Aです。
この時のバッテリー電圧はこんな感じです。

バッテリー充電完了後のスパイク(下方向)が1.62V、バッテリー放電完了後のスパイク(上方向)が0.84Vでした。
上記パルスの後のリンギングが効くそうです。充放電共に出てますね。

充放電共に5.208MHzでした。
→1週間程使ってみたのですが特に変化ありません…。
もっと長い期間試してみる必要があるのは分かっているんです。
でも気が短いので…。もっと強力なのを自分で作ってみる事にしました。
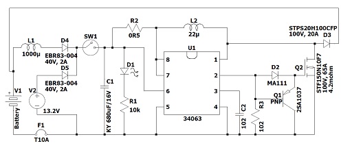
自作強力版
Alastair Couper さんが発表した資料の回路図がタイマーIC555を使って作っているからか、
みなさん555で自作されている様です。
PICを使っている方もいらっしゃいました。CR発振させている方も。
でもこれってただの昇圧デコデコ回路なので、
昇圧デコデコICを使った方が簡単な様な気がするのですが…。
私は入手性の良い34063(互換)を選びました。webを探しても何故か誰も使っていませんでした。
100均のシガーソケット→USBアダプタによく入っています。もちろん\100です。
でも降圧回路なので部品だけもらって基板は作り直す必要があります。

34063はFET(transistor)内蔵のコントロールICなのですが、

内蔵のFETを使ったらOFFスピードが遅すぎてスパイクが出ません。調整も出来ません。
なのでFETは外付けとしました。
更にOFFスピードを早くする為にPchトランジスタを使いました。
使ったFETはこの回路では最適ではありませんが(高い…)、
以前仕事で使って物があったのでこれを選びました。出力ダイオードも。
FUSEはチップタイプ(fast acting)の物を使ったら自身のスパイクで切れてしまいました…。
100均アダプタで使っていた車用?の遅延タイプ?の物を使いました。

出力線(黄)は別に出しました。バッテリー端子部でまとめます。なのでFUSEはマイナス側。

動作確認用にLEDもつけました。
と言っても動作しているインジケータではなくFUSEが切れていないインジケータです。
電流波形を測定しました。バッテリーは先日引退したPanasonic caos 80B24L です。
CCAテスターで測定した結果、電圧は12.43V、内部抵抗は11.02mohm、CCAは232でした。
同様にバッテリーのプラス端子に直列に0.2ohmの抵抗を入れて、
安定電位のバッテリープラス側がGNDで測定しました。

上方向がバッテリーを充電する方向、下方向がバッテリーを放電=デサルフェータを充電する方向です。
発振周波数は14.81kHz、消費電流は67.7mAです。拡大。

3.125MHzのリンギングが出来ています。peakは2.48Aです。
バッテリー端子部での電圧も測定してみました。

上が3.32V、下が2.28Vのスパイクが出ています。
自作強力USB補充電版
自作強力版が1週間使ってみたのですが結果が出ません。まだ早いかな?
もしかしたら自分自身を電源としているのがいけないのかもしれません。
満充電の状態で電極の硫酸イオンが全部電解液に溶け込んでいる状態じゃないと効果ないのかも。
で、外部電源で充電しながら動作する様に、自作強力USB補充電版を作ってみる事にしました。

今度はLTspiceを使って綺麗に書いてみました。
内容はほぼ同じです。特性もほぼ同じ。
FUSEは畑の電気柵の電源としてソーラー発電システムを作った時に買った、
今度は入力コンデンサC1に13.2Vの外部電源を入れてやります。
始めは13.8Vだったのですがちょっと下げました。
バッテリー電圧の目標値を13.8Vにするつもりだったのですが、
バッテリー電圧はダイオードのドロップ分高くなってしまうので。
外部電源はUSB5Vから昇圧デコデコを使って13.2Vを作っています。
バッテリーは予め充電器で13.2V以上に充電しておきます。
そうしないと外部電源からバッテリーへ目一杯電流が流れてしまいます。
また、外部電源で動作中にバッテリーを外してしまうと出力電圧のスパイクが跳ね上がり、
FETや出力ダイオードの耐圧を超えて壊れてしまうかもしれないので、
必ずバッテリーに接続状態で外部電源を入力する必要があります。

今度はFETと出力ダイオードを寝かせて高さを抑えてみました。
外部入力用のUSB昇圧デコデコはこちら。
これ、安いし問題無く昇圧してくれるので便利です。うちは常備品です。
何でもUSBの電源で動かせる様になります。
実はこんなおもちゃオシロも持っていたりするのですが、これ入力電圧DC9Vなんです。
これにも昇圧デコデコをオンボードで乗せてUSB電源で動く様にしてます。

今回自作強力版の様に省スペースを意識して作らなかったのは、ケースに入れる為です。

基板はこのケースには若干大きかったので、端を少し切り落としています。
ケーブルとバッテリーとの接続は、こちらのクリップが安くて便利です。日本の通販ではこちら。
構造は値段なりに安っぽいですが十分です。
全く同じ物をもう1個作り、2個同時に実験してみます。
→上記昇圧デコデコが壊れました…。間違えて満充電にしてないバッテリーにつないだら一発で。
過電流保護が無いんですねぇ…。残念。
しょうがないので同じく34063を使って昇圧デコデコを作りました。
出力電圧を13.3Vにする為に、5pinが1.25Vになる様に分圧抵抗を設定しています。
(出力電圧を13.8Vにする為には、R3を削除します)

前ノートで使っていた物。Panasonic CAOS 80B24L、CCA定格445、6年物です。
2020-4、開始時、13.34V、10.65mohm、CCA=305。
1週間後、13.24V、8.90mohm、CCA=356。
2週間後、13.25V、8.76mohm、CCA=364。
3週間後、13.25V、8.75mohm、CCA=364。
もうこれ以上は復活出来ないのかな?
その後1年半放置しました。その結果充電後で、
13.53V、12.27mohm、CCA=278。
まだデサルフェートしてみます。今度は13.8V版で。
3週間後、13.67V、12.06mohm、CCA=293。
あれ?以前程復活してこない。
試しにシートを剥がして補水してみます。300mL程入りました。
再びデサルフェートしてみます。
2021-12、開始時、13.53V、13.20mohm、CCA=258。
2週間後、13.78V、11.38mohm、CCA=318。
前ステージアで使っていた物。Panasonic CAOS 115D26R、CCA定格670、8年物です。
2020-4、開始時、13.13V、7.12mohm、CCA=433。
1週間後、13.25V、6.02mohm、CCA=529。
2週間後、13.30V、6.00mohm、CCA=537。
復活してきたので、畑の電気柵用に使う事にします。
1年程畑の電気柵で使った所、また傷んでしまいました。
12.83V、7.42mohm、CCA=386。
上のバッテリー同様、シートを剥がして補水してみます。こちらも300mL程入りました。
再びデサルフェートしてみます。
2021-12、開始時、13.22V、7.76mohm、CCA=407。
2週間後、13.56V、6.55mohm、CCA=525。
そこそこ復活出来たので、工房の電源として使う事にします。
前Vitzで使っていた物。KOBE 46B24L-MF、CCA定格295、11年物です。
開始時、13.09V、32.86mohm、CCA=93。
1日後、13.15V、25.66mohm、CCA=121。
5日後、充電電流が今まで5V600mA程だったのが5V1.3A程に増えています。あれ?
調べてみると6セル中5セルの電解液が濁っています…。壊れてしまったんですね。
一応測定してみると、11.63V、29.04mohm、CCA=69でした。廃棄。
経緯が不明の、YUASA Twister 30A19L、CCA定格230、充電電流は5V130mA程です。
開始時、13.47V、22.51mohm、CCA=149。
1日後、13.17V、20.19mohm、CCA=154。
1週間後、13.22V、18.65mohm、CCA=169。
2週間後、13.20V、18.10mohm、CCA=173、
復活してきたので、畑の電気柵用に使う事にします。
→半年後、晴れているのに10V位になっています…。
充電後、13.15V、26.84mohm、CCA=115。
再びこの自作強力USB補充電装置でデサルフェートしてやります。
1日半後、13.30V、21.85mohm、CCA=148。
設定電圧は13.3Vから13.8Vに変更してみました。
2020-8に中古で購入したキャンピングトレーラーに付いていたセミディープサイクルバッテリー、
G&Yu SMF27MS-730 。CCA定格730です。
キャンピングトレーラー購入時、13.06V、5.07mohm、CCA=598A でした。
以来普通に使っていたのですが、ちょっと復活を試みてみます。
2021-12、開始時、13.06V、5.22mohm、CCA=582。
1日後、13.13V、4.83mohm、CCA=640。
1週間後、13.33V、4.88mohm、CCA=666。
ちょっと復活した様です。またトレーラーに戻しました。
自作省電力版
常に車に取り付けておく用に省消費電力版も作ってみました。
暗電流として許容出来るのは20mA程度でしょうか。
うちに複数台ある車全てにとりつけられる様に、量産コストも意識して設計します。
コントロールIC以外も基本100均デコデコの物を使います。

デコデコについていたコイルは実測110uHでした。このまま使います。
出力ダイオードは1Aの物。省電力版ではこれで十分です。
入力フィルタ(自作強力版では1000uH)は10Ωの抵抗で代用です。
FUSEは本体を小さくまとめる為にチップタイプの物を選びました。
100均デコデコについて無い物は、ユニバーサル基板、10Ω、2.0Ω、ケーブル、圧着端子位でしょうか。

後程車に取り付ける時にスイッチを追加しました。

まずは電流波形。

発振周波数は13.72kHz、消費電流は6.97mAです。拡大。

リンギングは無しです。コントロールIC内蔵のMOSFETはOFFスピードが遅いので。
peakは192mAです。どうもこれでも効果ありそうなので作ってみました。
バッテリー端子部での電圧も測定してみました。

上が0.52V、下が0.068Vのスパイクが出ています。
熱収縮チューブでシュリンクしてステージアに取り付けてみました。

電圧によってCCAの値は大きく変わってしまうので、
比較の為には電圧が近い時に測定しないと参考にならないので、
測定条件をエンジン停止直後として、電圧を合わせてやる事にしました。
バッテリーはPanasonic CAOS 125D26R、CCA定格670、3年物です。
開始時、13.17V、4.71mohm、CCA=662。
1か月後、13.05V、4.51mohm、CCA=670。
17か月後、13.03V、4.75mohm、CCA=632。あれ?
効果無い様です…。取り外しました。
自作省電力版2
Y30用にほぼ同じ物を作りました。

コントロールICはこちらで購入しました。US$0.45/10pcsでした。
コイルはf9mmx12mmで実測140uHの物、デコデコから部品取りした物です。
電解コンデンサはニッケミKY330uF/16V、f8mmx12.5mmです。
ダイオードは富士電機ERA83-004、40V1Aのショットキーです。
カレントセンス抵抗は2.2ohm。
FUSEは1808のチップで即断で5Aの物です。こちらで購入しました。US$1.79/10pcsでした。
Ctは1000pFで動かしてみたら40kHz位でOFF時間があまり余裕が無かったので、
2000pF(1000pFx2パラ)としました。20kHz程になりました。

電流波形はpeakで200mA程、5MHzのリンギングが少しだけありました。
消費電流は13mAでした。自作省電力版1よりスイッチング周波数が高い分ちょっと消費電流が多いです。
熱収縮チューブでシュリンクしてY30に取り付けました。

バッテリーはPanasonic 125D26R、CCA定格670、5年物です。
開始時、13.18V、6.34mohm、CCA=493。
1か月後、13.11V、6.31mohm、CCA=488。あれ?
その後、気がついたら燃えてました…。取り外しました。